Skip to content
Adam's Vintage Computer Restorations
A site documenting an electronic engineer's tinkering habits.
Menu
+
×
expanded
collapsed
Home
Blog
Collection
Audio
Video
Calculators
CPUs
Test Gear
Watches
Computers & Consoles
Acorn
Amiga
Amstrad
Apple
Atari
Commodore
Dragon
EACA
IBM / PC
Microsoft
NABU
Nintendo
Osborne
Panasonic
Philips
SEGA
Sharp
Sinclair
Sony
SUN Microsystems
Tangerine
Texas Instruments
Toshiba
Wang Computer
Sales
eBay Page
Want to Buy
For Sale
Repair Services
Other
About
Curriculum Vitae
Contact
Testimonials
Support Me
Buy Me a Coffee
Send Me a Tip
Other Links
General Advice
Recommended Equipment
Retro Directory
Repair Cafés
Useful Links
Supported Charities
Alzheimer’s Society
British Heart Foundation
Cancer Research UK
Climate Action Stokesley
Gaza Crisis Appeal
Masonic Charitable Foundation
MFC Foundation
Re:Wired Museum & Arcade
Shelter UK
Tees River Rescue
World Wildlife Foundation
Facebook
Twitter
Instagram
LinkedIn
YouTube
GitHub
Previous Image
Next Image
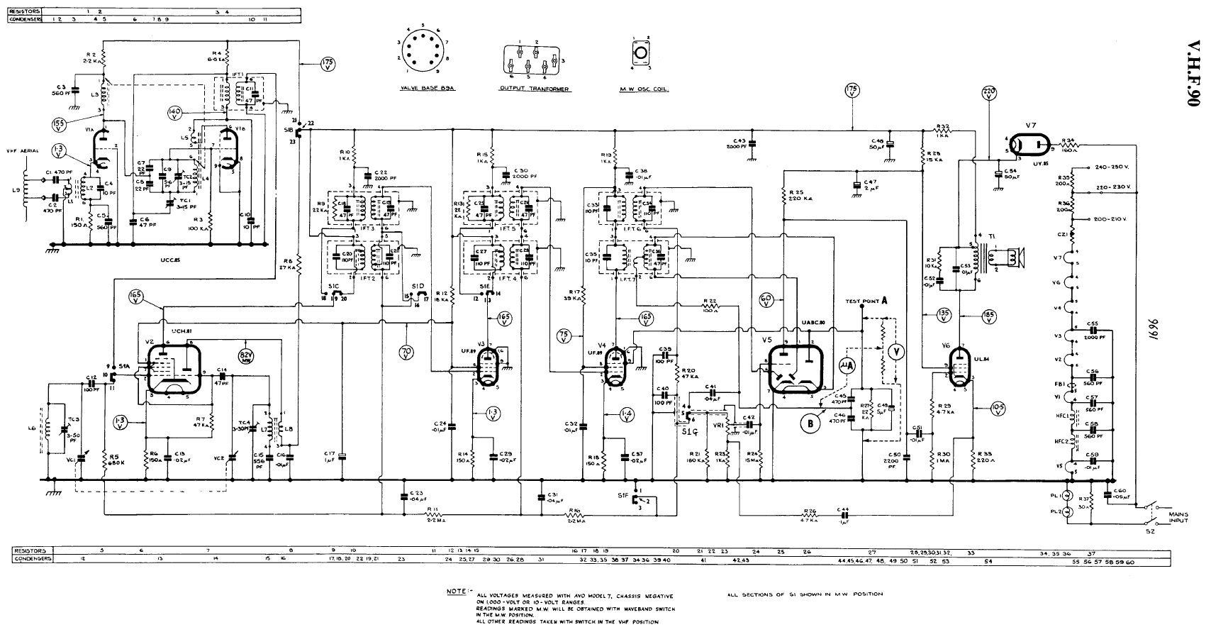
vhf90-circuit-diagram
Post navigation
Published in
1956 Bush VHF90 Vacuum Tube Radio Restoration
Leave a Reply
Cancel reply